| 1 | VoltageValues at nominal voltage/电压 | V | 3.6 | 4.5 | 6 | 9 | 12 | 18 |
|
|
| 2 | No-Load current/空载电流 ⩽125% | mA | 38.1 | 21.6 | 12.8 | 8.4 | 5.7 | 5.5 |
|
|
| 3 | No-Load speed/ 空载转速 ±10% | rpm | 8750 | 7900 | 7730 | 8290 | 8210 | 8840 |
|
|
| 4 | Stall torque/堵转转矩 | mNm | 7.3 | 5.6 | 5.5 | 5.3 | 4.2 | 5.7 |
|
|
| 5 | Starting current/堵转电流 | mA | 1905 | 1056 | 750 | 523 | 305 | 297 |
|
|
| 6 | Nominal speed/额定转速 | rpm | 7181 | 6463 | 5406 | 6577 | 6447 | 7410 |
|
|
| 7 | Max. continuous torque/最大连续工作转矩 | mNm | 1.3 | 1.0 | 1.6 | 1.1 | 0.9 | 0.92 |
|
|
| 8 | Max. continuous current/最大连续工作电流 | mA | 342 | 192 | 226 | 108 | 65 | 48 |
|
|
| 9 | Max.efficiency/最大效率 | % | 74 | 73 | 76 | 76 | 75 | 75 |
|
|
| 10 | Terminal resistance/相间电阻 ±10% | Ohm | 1.9 | 4.3 | 8.0 | 17.2 | 39.4 | 60.6 |
|
|
| 11 | Motor inductance/电机电感 | mH | 0.08 | 0.12 | 0.52 | 0.57 | 1.05 | 1.08 |
|
|
| 12 | Speed constant/速度常数 | rpm/V | 2431 | 1756 | 1288 | 921 | 684 | 491 |
|
|
| 13 | Torque constant/转矩常数 | mNm/A | 3.9 | 5.3 | 7.3 | 10.2 | 13.7 | 19.1 |
|
|
| 14 | Speed/torque gradient/速度/转矩斜率 | rpm/mNm |
|
|
|
|
|
|
|
|
| 15 | Mechanical time constant/机械时间常数 | ms | 11.9 | 10.1 | 15.8 | 12.1 | 13.4 | 13.8 |
|
|
| 16 | Rotor inertia/转子惯量 | gcm^2 | 0.7 | 0.5 | 0.8 | 0.7 | 0.6 | 0.5 |
|
|
| Characteristics |
| 17 | Thermal resistance Rth1/ Rth2 | K/W |
|
| 18 | Thermal time constant winding绕组热时间常数 | S |
|
| 19 | Ambient temperature range/环境温度范围 | ℃ | ‘-20…+65 |
| 20 | Max. winding temperature/最高绕组温度 | ℃ | ’+85 |
| 21 | Max. speed/最高允许转速 | RPM | 12000 |
| 22 | Radial play/径向间隙 | mm | 0.02 |
| 23 | Axial play at axial load/轴向载荷下的轴向间隙 | mm | 0.05~0.15 |
| 24 | Max. axial load (dynamic)/最大轴向载荷(动态) | N | 0.8 |
| 25 | Radial (5mm outside the flange)/径向载荷(法兰外5mm) | N | 1.4 |
| 26 | static, shaft supported/静态,轴支撑 | N | 15 |
| 27 | Number of pole pairs/磁极对数 |
|
|
| 28 | Number of phases/相数 |
|
|
| 29 | Weight of motor/电机重量 | g | 20 |
| Additional information/其它相关信息 |
| 端子定义,电机(导线AWG 26) | 定制可选项 |
|
|
|
|
|
|
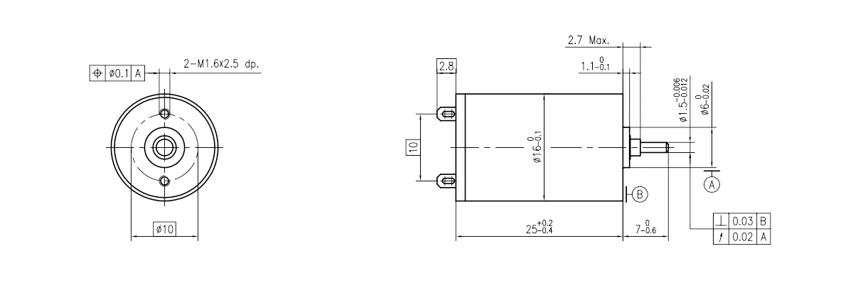
| 1 | 正极 + | ------法兰 输入端、输出端的定位安装要素 |
| 2 | 负极 - | ------轴 输入端、输出端的尺寸要素 |
| 3 |
| ------引接线 规格、颜色、尺寸 |
| 4 |
| ------端子 可指定 |
| 5 |
|
|
| 6 |
|
|
| 7 |
|
|
| 8 |
|
|